离合器回位弹簧安装图 离合器不回弹用脚勾才能好
手动挡车型离合器踏板出现不回弹一般有两个原因,分别是离合器弹簧掉下或断裂和离合器踏板断裂。下面我们就来为小伙伴们更多细节讲解一下这两种问題造成的一般原因和解决方法。

离合器不回弹用脚勾才能好
出现这样的故障问题一般有两个原因:
1、离合器弹簧掉下或断裂。离合器的回弹是要靠离合器踏板内的弹簧实现,假如离合器弹簧出现了掉下,那么离合器会完全没有失去回弹能力,行驶员只能用脚勾起离合踏板使其复位;
2、离合器踏板断裂。离合器踏板断裂这样的问題我觉得并不多见,但同样是有几率发生的。当离合器踏板内的零部件出现断裂时,离合器踏板很有可能会被卡住,因而只能用脚勾起离合踏板才能复位。

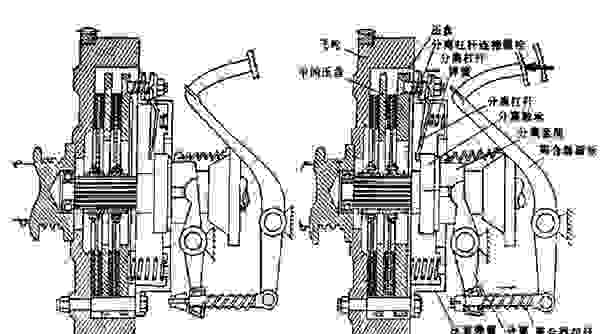
离合器回位弹簧安装图
大多数离合器回弹弹簧安装在离合器推杆内,我们只要把推杆拆下,随后取出断裂的弹簧最后遵循旧弹簧的安装方式把新弹簧从新安装就可以了。
注意些什么:整个离合器系统中用到的弹簧十分多,并且大部分是螺旋弹簧,平时我们在使用时只要不太过用力去踩踏,螺旋弹簧发生断裂的概率会比较小。离合器弹簧出现断裂时是不用对离合器总成整体实行更换的,只要从新更换弹簧就可以了。

离合器踏板出现发抖震动的原因
汽车离合器的压力分布不均匀、离合器压紧弹簧弹力过大、分离套筒滞涩、动盘衬片有油污或破裂、主从动盘弯曲、分离杠杆高低不一致和变速器机脚垫老化基本都有可能影响到离合器踏板出现发抖震动问題。
当我们
发觉
离合器发抖震动比较厉害时可以尝试对以上问題实行逐一检测,对症下药才能有效果解决问題。
发布时间 2025-03-11 21:04:47